Просмотры:0 Автор:Pедактор сайта Время публикации: 30-08-2023 Происхождение:Работает
В сфере современной промышленности внедрение инновационных технологий не только повышает эффективность производства, но и меняет стандарты производства.На фоне этого динамичного ландшафта технология выдувного формования резервуаров IBC является новатором и своим впечатляющим влиянием направляет будущее производства резервуаров IBC.Являясь ключевым производственным процессом, выдувное формование резервуаров IBC не только оптимизирует производственные линии, но и обеспечивает беспрецедентную стабильность качества продукции.В этой статье мы углубимся в основные элементы выдувного формования резервуаров IBC и его ключевую роль в современных производственных линиях.Давайте раскроем загадку этой технологии и выясним, как она возглавляет тенденции в производственном секторе и меняет траекторию инноваций в продуктах.
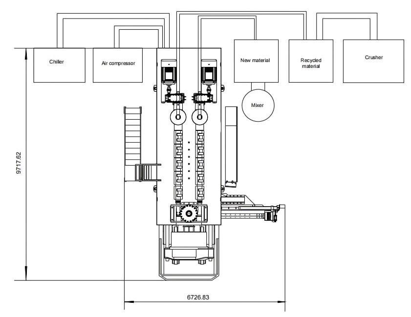
Представляем линейку машин для выдувного формования резервуаров IBC — синергию технологического совершенства и точного машиностроения. Эта интегрированная система включает в себя такие ключевые элементы, как экструзионно-выдувная машина, пресс-форма для резервуаров IBC и тестеры качества, которые позволяют эффективно и надежно формовать высококачественные резервуары IBC. Эта линия меняет представление о производстве, обеспечивая первоклассную продукцию, соответствующую самым высоким отраслевым стандартам.
Машина для продувки резервуаров IBC в производстве
Машина для выдувного формования резервуаров IBC предлагает универсальные возможности: однослойную, двухслойную и трехслойную.Эта передовая система с производственной мощностью 22 штук в час обеспечивает эффективность и качество.Особое внимание уделяется машине для выдувного формования двухслойных резервуаров IBC, которая является примером точного проектирования для оптимального укладки слоев, обеспечения надежности и удержания жидкости.
Расширенные возможности двухуровневой обработки:
1. Обеспечьте целостность жидкости с помощью светонепроницаемого внешнего слоя синего или черного цвета, защищающего содержимое.
2. Используйте переработанный полиэтилен высокой плотности для внешнего слоя, оптимизируя экономическую эффективность без ущерба для качества.
3. Настройте соотношение двойных слоев, что обеспечивает гибкую настройку в соответствии с конкретными требованиями.
Список компонентов и технические характеристики машины для выдувания резервуаров IBC
СПЕЦИФИКАЦИЯ | БМС135Z | ОПИСАНИЕ |
Максимальный объем продукта | Барабан IBM на 1000 л. | |
Вес машины | 60 тонн | |
Размер машины(ДхШхВ) | 9,0×6,5×7,8 (Д×Ш×В) | |
ЭКСТРУЗИОННАЯ УСТАНОВКА | ||
Диаметр винта | 120 ммx 2 | Для винтового материала HDPE |
Соотношение длина/диаметр | 30:1 | |
Материал ствола | 38CrMoAIA + обработка нитридом | |
Материал нагревателя | Керамика + Индикация датчика расплава | |
Мощность двигателя экструзии | 132 кВтx 2 | |
Пластифицирующая способность | 800 кг/час | ПНД |
ГОЛОВКА | ||
Тип головы | IBC барабан специальный накопительный | Первым прибыл, первым обслужен |
Номер зоны отопления. | 8 | |
Мощность нагрева | 56КВт | |
Макс. диаметр матрицы | 950 мм | |
ЗАЖИМНЫЙ БЛОК | ||
Зажимная конструкция | Два галстука | |
Зажимная сила | 2000 кН | |
Размер стола | 1600*1600 мм | |
Ход открытия плиты | 1200-2600 мм | |
Движение каретки | Линейная направляющая+ползун цилиндра высокого давления | |
СИСТЕМА КОНТРОЛЯ | ||
Система ПАРИЗОН | Иметь | Муг 100 баллов |
Сенсорный экран | ВЕЙНВЬЮ | Сделано в Тайване |
Рука робота | Иметь | Ножничный тип |
ДРУГИЕ | ||
Гидравлический двигатель | Серводвигатель | Италия ФАЗА |
Гидравлический насос | Сервонасос | Япония СУМИТОМО |
Мощность двигателя экструзии | 136КВт*2 | |
Суммарная мощность | 580кВт | |
Среднее энергопотребление | 174кВт | |
Имя | Поставщик |
Гидравлический серводвигатель | ФАЗА/ Италия |
Масляный насос | СУМИТОМО/ ЯПОНИЯ |
Гидравлический клапан | ЮКЕН/ ЯПОНИЯ |
Сервоклапан | АТОС/ Италия |
Система управления паризоном | МООГ/ЯПОНИЯ |
Герметик | Топ ДЗ / ЕВРОПЕЙСКИЙ |
Микрокомпьютерная система управления | МИЦУБИСИ ПЛС / ЯПОНИЯ |
Сенсорный экран | ВАЙНВЬЮ / ЯПОНИЯ |
Регулятор температуры | МИТСУБИСИ, / ЯПОНИЯ |
ССР | ОМРОН / ЯПОНИЯ |
Воздушный переключатель | ШНАЙДЕР/ГЕРМАНИЯ |
Мотор | СИМЕНС БЕЙДЕ |
Ресурс мощности | ЗНАЧЕНИЕ ХОРОШЕЕ / ТАЙВАНЬ |
Инвертор | ДЕЛЬТА/ТАЙВАНЬ |
1. Эта машина используется для производства пластиковых внутренних баков.Производственная мощность достигает 22 штук в час.
2. Машина оснащена двумя экструдерами и мощным макромолекулярным шнеком, что обеспечивает стабильную пластификационную способность.
3. Специально разработанный сердечник матрицы, может изготавливать мин.вес IBC-бочки 13 кг.
4. Стабильная конструкция машины, средняя пластина через тягу, вся рама с высокоточной конструкцией модуля, легко разбирается и собирается, завершает сборку в течение одного дня.
5. Толщина барабана равномерная, восемь углов прочные.
6. Стабильная гидравлическая система, высокая скорость, время впрыска материала около 10 секунд.
7. Специально разработанная накопительная головка IBC, быстрая замена материала, низкое энергопотребление.
8. Отдельная система охлаждения для охлаждения шнеков и гидравлического охлаждения для достижения хорошего эффекта охлаждения.
9. Пропорциональные клапаны для управления действием нижнего выдувного штифта и руки робота, точность и стабильность.
10. Вся машина европейского дизайна.
Схема продувочной части резервуара IBC
Вспомогательные машины
Я. Пластиковая дробилка
Дробилка пластика – это устройство, предназначенное для переработки пластиковых материалов на более мелкие фрагменты.Его цель — перерабатывать старые пластиковые изделия и превращать их в пригодное для использования сырье.
L Цельностальная сварная рама, прочная
l Легко снимаемая конструкция, легкая чистка и обслуживание.
L Импортный стальной резак, острое лезвие, легко заменяемый, прочный.
l Легко раздавливает все виды мягкого и твердого пластика.
L Оснащен двигателем и электрической цепью, системой защиты для обеспечения безопасного использования.
l Выбор различных лезвий и сетки экрана.
Модель | Власть | Номер лезвия. | Дробильная камера | Емкость | Размер | Масса |
ПД800 | 30 л.с. | 6+4 шт. | 815*470 мм | 600 кг | 1750*1540*2340 мм | 2Т |

II. Вакуумный автозагрузчик для подачи ПНД
Вакуумный автозагрузчик — это устройство, которое использует всасывание для автоматической транспортировки и подачи материала HDPE (полиэтилена высокой плотности) в систему обработки или производства.
• Простое управление, простота обслуживания, программа автоматического электрического управления.
• Бункер из нержавеющей стали.
• Защита двигателя
• Автоматическая сигнализация о перегрузке и недостатке материала.
• Независимый фильтр для легкой очистки.
• Опциональное электрическое обнаружение глаз непосредственно при установке бункера машины.
Модель | Власть | Поднимать | Труба Д | Емкость | Размер | Масса |
X800G | 1,5 кг | 5М | 38 мм | 600 кг | 1500*400*720 мм | 80 кг |

III.Смеситель для сырья ПНД
PВ ластик-смесителе используется быстро вращающийся шнек, который поднимает сырье со дна бочки к ее центру, а затем наверх, впоследствии собирая и перераспределяя диспергированный материал обратно на дно.Этот циклический процесс эффективно обеспечивает тщательное и равномерное смешивание значительного объема сырья за короткий промежуток времени.
•Спиральный цикл перемешивания, более равномерное и быстрое смешивание сырья.
• Смешанная сила, короткое время, низкая энергия, высокая эффективность.
• Часть материала, контактирующая с оборудованием и сырьем, изготовлена из нержавеющей стали, ее легко чистить, чтобы избежать коррозии.
• Таймер можно выбрать, время смешивания 0-30 минут.
• Оснащен электрическими защитными устройствами управления для обеспечения безопасной работы.
Модель | Власть | Скорость | Отопление опционально | Емкость | Размер | Масса |
JB1000L | 4 кВт | 330об/мин | 15 кВт | 1000 кг | 1300*2670*630 мм | 700 кг |

IV. Чиллер с водяным охлаждением
WЧиллер с воздушным охлаждением — это система охлаждения, в которой вода используется в качестве среды для отвода тепла от процесса или оборудования, эффективно снижая температуру и поддерживая оптимальные рабочие условия.
1. с импортным сжатием, высокой эффективностью и сильной способностью охлаждения.
2. компактный размер
3. с энергосбережением
4. Наиболее подходит для охлаждения резервуаров IBC с идеальным охлаждением и производительностью.
Модель | Власть | Температура охлаждающей воды | Водный поток | Емкость | Размер | Масса |
СМЛ-11С | 30 л.с. | 5-30 градусов | 28 куб.м/ч | 76000ккал в час | 2800*900*1800мм | 1,2Т |

В. Градирня для водоохладителя
1. Полная герметичность, защита от дождя, средняя скорость вращения, защита от износа, двигатель марки ABB.
2. Специально разработанный редуктор с длительным сроком службы.
3. с двигателем из алюминиевого сплава с высокими вентиляторами и низким уровнем шума.
4. Наполнитель: формовка из натурального ПВХ, продлевает время водно-воздушного обмена, увеличивает срок службы.
Модель | Власть | Поток | дБ шум | Фанаты Д | Размер | Масса |
60Т | 1,5 кВт | 46,8 куб.м/ч | 63.5 | 1170 мм | Д2100*2150мм | 250 кг |

VI. Компрессор винтового типа для продувки воздухом.
Компрессор винтового типа используется для создания воздушного потока за счет использования вращающихся винтов для сжатия и продвижения воздуха вперед, обеспечивая эффективную и постоянную продувку воздуха.
1. Тихий и низкий уровень вибрации.
2. Удобный дизайн, оптимизированная структура.
3. низкая стоимость обслуживания
4. Высокая эффективность охлаждения.
5. Настоящий прямой драйвер
6. низкие потери энергии
Модель | Власть | Давление | Емкость | Выход D | Размер | Масса |
XLAM40A | 40 л.с. | 10бар | 4,3 куб.м/мин | G11/4 | 1200*950*1358 мм | 620 кг |

VII. Конвейер для отправки зачищенной детали
Ленточный конвейер предназначен для транспортировки пластиковых деталей цистерн IBC после зачистки.
1. Полностью автоматический тип.
2. с мотором
3. регулируемый по высоте
4. с кнопкой безопасности
5. с более простым обслуживанием
6. с низким уровнем шума
Модель | длина | высота | Ширина | Емкость | Размер | Масса |
TQ1000C | 2М | На основе гранулятора H | 800 мм | 500 кг | 2000*800*1,5М | 600 кг |

VIII. ТЕСТЕР УТЕЧЕК для соединения клапана
Машина для проверки герметичности может определить, протекает ли соединение клапана резервуара IBC или нет.
1. С конвейером для облегчения подъема и спуска.
2. С точным результатом теста
3. можно подключить к полностью автоматической линии.
4. результат отображается на экране
5. время можно установить регулируемо
6. Более простое обслуживание
Модель | Давление воздуха | Время давления | Слайд-гид | Воздушная часть | Размер | Масса |
HJ1000LK | 0,5 МПа | 5 минут | СБР | АИРТАК | 2000*2000*2340мм | 1Т |

IX. Тестер вибрации для резервуара IBC с рамой
1. Стол IBC Высокое качество и долгий срок службы.
2. Сенсорный экран показывает частоту вибрации.
3. Вибрационный двигатель с эксцентриковым колесом и пружиной, вертикальная амплитуда достигает 25 мм;
4. отдельный блок управления и основной корпус, безопасная работа.
5. Простая установка и стабильная работа.
6. Стол из нержавеющей стали 304, не ржавеет, не деформируется.
7. Вибрационный стол с переменной частотой, высокая перегрузочная способность.
8. с защитой от превышения скорости, предотвращает безопасность
Модель | Частота | Амплитуда | Большая загрузка | Размер стола | Tнастройка времени | Масса |
ЗДЗД1-ИБК | 2-5 Гц 100-300 об/мин регулируемый | Вертикальный тип 25 мм | 2000 кг | 1200*1200 мм | 0-999 часов регулируемый | 800 кг |

Наша машина для выдувного формования резервуаров IBC является свидетельством инноваций и эффективности в сфере промышленного производства.Наши машины, уделяя особое внимание точности, стабильности и адаптируемости, поднимают производство резервуаров IBC на новую высоту.Будь то простота однослойной печати или расширенные возможности нашей двухслойной системы, мы стремимся удовлетворить и превзойти ваши производственные потребности.Откройте для себя будущее производства резервуаров IBC вместе с нами, где совершенство — это не просто цель, а стандарт.